RicardoBelli Geplaatst: 15 januari 2021 Geplaatst: 15 januari 2021 Hallo Forumleden, heeft er hier iemand goede ervaring met de premium pll lnb van inverto op een visio big bi sat schotel. Deze heeft een kortere halslengte van 43 mm, dit in tegenstelling tot de black ultra. Deze heeft een hals lengte van 68,50 mm. Ik heb hier in het verleden ook de vorige premium lnb op geprobeerd maar dat paste niet,deze had een te korte halslengte. Mvg Ricardo
Sprietje Geplaatst: 15 januari 2021 Geplaatst: 15 januari 2021 Wat is precies je probleem? Kun je de lnb's met een korte hals niet ver genoeg naar voren schuiven?
RicardoBelli Geplaatst: 15 januari 2021 Auteur Geplaatst: 15 januari 2021 Hoy sprietje, bij de eerste premium kon ik de lnb niet ver genoeg naar voren schuiven en heb deze toen geretourneerd . Mijn vraag is; heeft het zin om deze lnb te bestellen om een beter signaal te krijgen dan de inverto black ultra? Omdat deze lnb een feedhorn heeft van 70 mm ipv 60 mm zoals de black ultra . Mvg Ricardo
Sprietje Geplaatst: 15 januari 2021 Geplaatst: 15 januari 2021 Ergens snap ik het niet. Een Cahors schotel is eigenlijk ontwikkeld voor ALPS-lnb's. Dat die al geruime tijd niet meer gemaakt worden is jammer maar als er één lnb is met een korte hals, dan is het de ALPS wel. Die hals is maar 30mm lang. Dat is nog veel korter dan de Inverto Black Premium en daar zijn geen problemen mee. Ik begrijp het dus niet. Maar als het nu echt zo is dat een lnb met een korte hals niet ver genoeg naar voren kan, dan kun je de losse lnb-houder of de houder met plaat verder naar voren zetten door een nieuw gat te boren.
RicardoBelli Geplaatst: 15 januari 2021 Auteur Geplaatst: 15 januari 2021 Hoy sprietje , dat verboren ga ik echt niet doen . Ik wilde eigenlijk alleen weten of door die grotere feedhorn het signaal van deze lnb meer signaal kwaliteit geeft dan de black ultra zie de foto Mvg Ricardo
RicardoBelli Geplaatst: 15 januari 2021 Auteur Geplaatst: 15 januari 2021 Deze lnb is die ik het geretourneerd .maar hier staat helaas de hals lengte niet op. Mvg Ricardo
satkijker Geplaatst: 15 januari 2021 Geplaatst: 15 januari 2021 Die grotere feedhorn is optisch bedrog. Zie Van horen zeggen of zelf uitgeprobeerd?
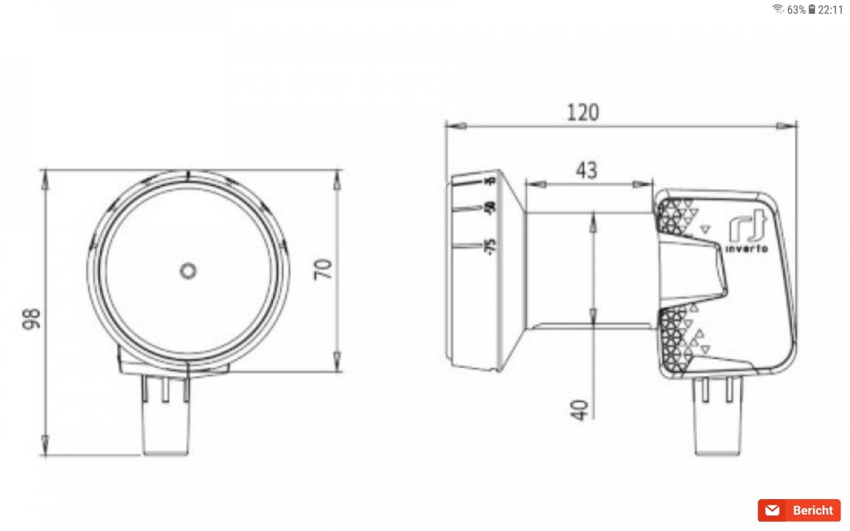
Sprietje Geplaatst: 16 januari 2021 Geplaatst: 16 januari 2021 (aangepast) De hals van een Inverto Black Premium Single is 29mm lang. De Inverto PLL Single is 43mm lang. Dat is dus 14mm langer. Nou ja, optisch bedrog? De aluminium feedhorn is hetzelfde als van alle andere normale lnb's met een plastic kap van 59,5mm diameter maar over deze kap heen zit de behuizing met de skew-schaalverdeling en die heeft een diameter van 69mm. Dat kan een probleem geven bij multifeed dat ze niet dicht genoeg tegen elkaar gezet kunnen worden. Maar als je deze PLL-lnb toch graag wilt gebruiken, dan is hij natuurlijk wel aan te passen. Bekijk onderstaande tekening: - verwijder de twee helften van de behuizing - zaag de zwarte kap met de schaalverdeling af zodat de diameter 59mm is - kit de witte kap af op de zwarte behuizing met siliconenkit Nu heb je de PLL-lnb met een kop van 59,5mm diameter. Tja, ik blijf het oer stom vinden van Inverto om de kop van de PLL-lnb 69mm te maken. Die skew-gradenverdeling had er ook gewoon aangebracht kunnen worden zoals te zien in bij deze Inverto Black Ultra Twin. 16 januari 2021 aangepast door Sprietje
RicardoBelli Geplaatst: 16 januari 2021 Auteur Geplaatst: 16 januari 2021 Oke het is me volkomen duidelijk ,allen bedankt voor de reacties . Dus voor een verhoging in de signaal kwaliteit hoef ik het niet te doen.Dan laat ik de inverto black ultra gewoon op zijn plek. Mvg Ricardo.
Sprietje Geplaatst: 17 januari 2021 Geplaatst: 17 januari 2021 PLL-lnb's presteren over het algemeen bij lage Symbol Rates beter. Als je dus naar zenders kijkt die een hele lage SR hebben van onder de 10MHz, zou deze wel eens beter kunnen presteren dan de Inverto Black Ultra. Voor de rest doet hij weinig onder voor de Inverto Black Ultra. Op het Satelliet internetforum (zie: https://www.satsig.net/cgi-bin/yabb/YaBB.pl?num=1305978605) schrijft Eric Johnston: DRO (diëlektrische resonatoroscillator) LNB-typen hebben een zeer slechte frequentiestabiliteit en zijn alleen geschikt voor de ontvangst van dragers met een grote bandbreedte, zoals een 27 Msps satelliet-tv of VSAT-outlink-draaggolf, waarbij de afstemcircuits van de ontvanger op de draaggolf kunnen worden vergrendeld ondanks frequentiefouten tot +/- 500 kHz of +/- 2 MHz en een vertraging van een seconde (of meer) vergrendeling is van geen gevolg. PLL-LNB's (phase lock loop) gebruiken een interne 10 MHz kristaloscillator (die een hoge stabiliteit heeft) en een phase-locked oscillator op zeg 10 GHz. De frequentienauwkeurigheid is erg goed (zeg +/- 25 kHz) en de faseruis is laag. Gebruik dit type voor de ontvangst van dragers met een lage symboolsnelheid en modulatiedragers van hogere orde, zoals 8PSK en 16QAM. Externe referentie PLL LNB's zijn ook beschikbaar. Deze hebben een voeding van 10 MHz nodig via de kabel van de binnenapparatuur. De nauwkeurigheid van de PLL LNB met externe referentie kan buitengewoon goed zijn als u een atomair afgeleide oscillator gebruikt, zoals een op basis van een GPS-ontvanger. Alle teleporthub-grondstations moeten externe referentie PLL-LNB's gebruiken. De 10 MHz-voeding moet een uitstekende faseruiskarakteristiek hebben, dus zorg ervoor dat de voeding goed is afgevlakt en dat deze zich niet naast een motor bevindt (bijv.een ventilator die zowel trillingen als een oscillerend magnetisch veld afgeeft). BUC's moeten een externe referentievoeding van 10 MHz hebben, aangezien de transmissiedraaggolf in de satelliettransponder moet passen tussen aangrenzende dragers die slechts enkele kHz van elkaar verwijderd zijn. Bij TDMA-uplinks is een nog hogere nauwkeurigheid vereist, zodat de opeenvolgende bursts van verschillende uplinks allemaal exact dezelfde frequentie hebben. Dit helpt de TDMA burst-ontvanger (lijnkaart in iDirect) om elke burst zeer snel te vergrendelen om verspilde tijd te minimaliseren.
RicardoBelli Geplaatst: 17 januari 2021 Auteur Geplaatst: 17 januari 2021 Oke Sprietje, het technisch gedeelte hier boven gaat me net iets te ver .maar wel mooi uitgelegd .waar het mij ook om ging is om op 0,8 ° west de 5 4k zenders misschien hierdoor beter kon ontvangen maar helaas deze werken met 45000 sr.mvg Ricardo
Aanbevolen berichten
Maak een account aan of log in om te reageren
Je moet een lid zijn om een reactie te kunnen achterlaten
Account aanmaken
Registreer voor een nieuwe account in onze community. Het is erg gemakkelijk!
Registreer een nieuwe accountInloggen
Heb je reeds een account? Log hier in.
Nu inloggen