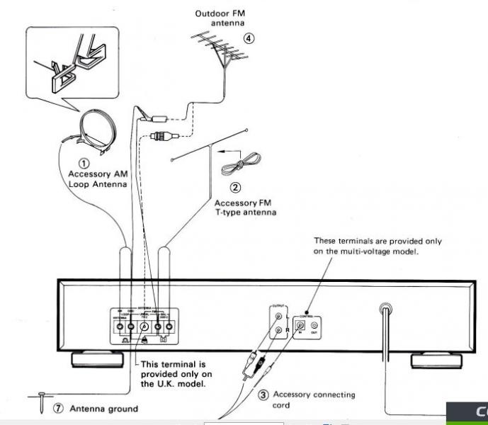
FtoA Geplaatst: 23 december 2016 Geplaatst: 23 december 2016 Op welke DVB-T aansluiting dient de Digitenne antenne aangesloten te worden: die met schroefdraad 13/18v- 400mah max Of de gewone steek stekker: ant in 5v ?
Mojo Geplaatst: 23 december 2016 Geplaatst: 23 december 2016 Ant in 5 v. Anders word het een zooitje You know when you've been shagged. I like receivers who give me pleasure.
Moderator ceesv Geplaatst: 23 december 2016 Moderator Geplaatst: 23 december 2016 Bijna oud en nieuw, een beetje vuurwerk in de antennemast zal niet opvallen. Gaat niet bestaat niet! 65" 4-K OLED, Vu+ Duo 4K SE BT, Vu+ Solo 4K, Rebox-8500, Rebox-8000, Wavefrontier T-90, Satlook Digital NIT, Megasat HD5 Combo Gebruik je een advertentie blocker? Maak dan een uitzondering voor onze website. Zonder advertentie (inkomsten) kan deze site niet voortbestaan.
FtoA Geplaatst: 23 december 2016 Auteur Geplaatst: 23 december 2016 En hoe kan de radio op de STB aangesloten worden? De 3 AV tulps zijn al in gebruik voor de tv Of met een eigen passieve antenne?
Satneef Geplaatst: 23 december 2016 Geplaatst: 23 december 2016 (aangepast) Even logisch nadenken en je had het kunnen weten: Uit je handtekening: Edision OS Mega + tv Daewoo 28" DTG 2880- 100D + LNB = chess edition3 En wat staat er bij de 3 aansluitingen die je niet moet hebben? 23 december 2016 aangepast door Satneef ZGemma H7S met VU+ turbo SE,Mutant HD2400,ZGemma H.2H,Clarketech HD5100c,1 meter draaibare schotel (53 oost-30 west) OpenHDF 6.5,OpenATV Een dag niet gelachen is een dag niet geleefd!
FtoA Geplaatst: 23 december 2016 Auteur Geplaatst: 23 december 2016 @Satneef: miss zou je ook gewoon antwoord kunnen geven?
Moderator ceesv Geplaatst: 23 december 2016 Moderator Geplaatst: 23 december 2016 Misschien is je vraag niet duidelijk, Wil je het geluid van de settop box weergeven via je radio? Gaat niet bestaat niet! 65" 4-K OLED, Vu+ Duo 4K SE BT, Vu+ Solo 4K, Rebox-8500, Rebox-8000, Wavefrontier T-90, Satlook Digital NIT, Megasat HD5 Combo Gebruik je een advertentie blocker? Maak dan een uitzondering voor onze website. Zonder advertentie (inkomsten) kan deze site niet voortbestaan.
FtoA Geplaatst: 23 december 2016 Auteur Geplaatst: 23 december 2016 (aangepast) Voorheen had ik de tv en de radio op de digitennebox + antenne. Nu wil ik weer signaal op de radio, en er is maar 1 antenne, die nu op de nieuwe STB zit. Ik dacht de nieuwe STB weer aan de radio te verbinden, maar ben bang dat dat niet meer gaat doordat er alleen moderne aansluitmogelijkeden over zijn.... 23 december 2016 aangepast door FtoA
Moderator ceesv Geplaatst: 23 december 2016 Moderator Geplaatst: 23 december 2016 Het gaat dus om de radio antenne aansluiting? Je satelliet stb is de meest complete radio ontvanger die er is, met veel meer zenders als die jij op je radio kunt ontvangen. Heb je al eens op de radio knop gedrukt op je stb box afstandsbediening? Gaat niet bestaat niet! 65" 4-K OLED, Vu+ Duo 4K SE BT, Vu+ Solo 4K, Rebox-8500, Rebox-8000, Wavefrontier T-90, Satlook Digital NIT, Megasat HD5 Combo Gebruik je een advertentie blocker? Maak dan een uitzondering voor onze website. Zonder advertentie (inkomsten) kan deze site niet voortbestaan.
FtoA Geplaatst: 23 december 2016 Auteur Geplaatst: 23 december 2016 Het gaat dus om de radio antenne aansluiting? Heb je al eens op de radio knop gedrukt op je stb box afstandsbediening? ja knoppen werken nog niet, maar hoeft de STB dan niet eerst met een kabel aan de radio ?
Moderator ceesv Geplaatst: 23 december 2016 Moderator Geplaatst: 23 december 2016 Nee, via satelliet worden honderden radio stations uitgezonden, waaronder alle Nederlandse landelijke zenders. Ik gebruik de luidsprekers van mijn tv niet, maar heb de digitale audio-uit aansluiting aangesloten op mijn dolby - digitaal audio versterker. Zowel tv als raio stations worden vanuit de stb weergegeven via de luidsprekers van de hi-fi installatie. De radio tuner gebruik ik al 20 jaar niet meer, veelste veel ruis en storingen. Gaat niet bestaat niet! 65" 4-K OLED, Vu+ Duo 4K SE BT, Vu+ Solo 4K, Rebox-8500, Rebox-8000, Wavefrontier T-90, Satlook Digital NIT, Megasat HD5 Combo Gebruik je een advertentie blocker? Maak dan een uitzondering voor onze website. Zonder advertentie (inkomsten) kan deze site niet voortbestaan.
FtoA Geplaatst: 23 december 2016 Auteur Geplaatst: 23 december 2016 heb de digitale audio-uit aansluiting aangesloten op mijn dolby - digitaal audio versterker. OK, zoals je begrijpt heb ik een analoge versterker. Dus hoe sluit ik deze STB aan ( de AV cinch zijn al in gebruik voor de tv) mijn versterker? Of dan toch maar een passieve radio antenne aan de radiotuner?
Mojo Geplaatst: 23 december 2016 Geplaatst: 23 december 2016 OK, zoals je begrijpt heb ik een analoge versterker. Dus hoe sluit ik deze STB aan ( de AV cinch zijn al in gebruik voor de tv) mijn versterker? Of dan toch maar een passieve radio antenne aan de radiotuner? Dan moet je daar de rode en witte van gaan spiltsen zodat je 2x rood en 2x wit hebt You know when you've been shagged. I like receivers who give me pleasure.
Moderator ceesv Geplaatst: 23 december 2016 Moderator Geplaatst: 23 december 2016 Nee, de tv niet aansluiten maar het geluid van de tv programma's via de radio weergeven. Gaat niet bestaat niet! 65" 4-K OLED, Vu+ Duo 4K SE BT, Vu+ Solo 4K, Rebox-8500, Rebox-8000, Wavefrontier T-90, Satlook Digital NIT, Megasat HD5 Combo Gebruik je een advertentie blocker? Maak dan een uitzondering voor onze website. Zonder advertentie (inkomsten) kan deze site niet voortbestaan.
Aanbevolen berichten
Maak een account aan of log in om te reageren
Je moet een lid zijn om een reactie te kunnen achterlaten
Account aanmaken
Registreer voor een nieuwe account in onze community. Het is erg gemakkelijk!
Registreer een nieuwe accountInloggen
Heb je reeds een account? Log hier in.
Nu inloggen