Ga naar inhoud


Onduidelijke fout op Alden SSC DVB S2 "Antenna is stuck"


Ga naar oplossing Opgelost door Nexxo,

Aanbevolen berichten

Geplaatst:

Op het display krijg ik bij het opstarten van mijn schotel de foutmelding "Antenna is stuck".

Eenvoudig te verhelpen of werk voor een specialist?

Alvast bedankt.


Geplaatst: (aangepast)

Beste Nexxo

 

Welkom op dit forum

 

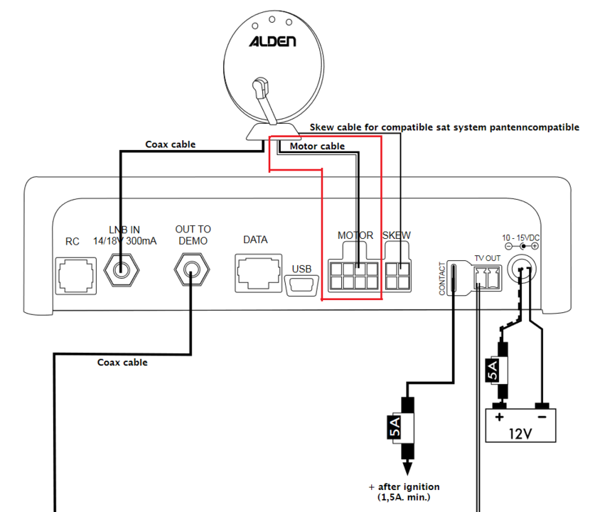
Dit staat in de handleiding:

Dus de verbindingskabel tussen de besturingsunit en de schotel controleren of de stekker er goed in zit.

 

stuurfout.png

stuurfout-.png

aangepast door Sprietje
  • 1 jaar later...
Geplaatst:

Het is weliswaar een ouder topic maar vond het tóch de moeite waard om hier te reageren omdat ik een soortgelijk probleem heb met een Alden Onelight.

Ik heb dat schoteltje gekregen en meende dat weggooien altijd nog kan. Toevallig kreeg ik ook nog een Alden Satmatic-HD Fransat ontvanger en ben ik eens gaan spelen met de combinatie. Overigens kreeg ik er een dag later nóg een. En laat dat nu zomaar ineens perfect werken voor 5 West. Echter ……… en dan komt er altijd iets aparts. 🤣

Ik heb wat met het toevoegen van satellieten zitten stoeien en dat werkte deels. Uit het niets werden de diverse eindsensoren voor de elevatie maar ook voor de horizontale draaiing niet meer ‘gezien’ en bleven afhankelijk van de opdracht de motor in de maximale stand draaien. Een expert gebeld die met de tip kwam dat als de spanning te laag was, dat dit een veel geziene fout was. Uiteraard gecheckt maar resultaat nihil, ook met een zwaardere voeding. Niet dat ik specifieke plannen met deze set had, maar het zou leuk zijn als er iemand blij mee zou kunnen maken als ik uitgespeeld ben ermee. De Fransat kaart, ik had er twee zijn al beloofd aan liefhebbers uit België.

 

Iemand al eens soortgelijks meegemaakt en wat bleek de oplossing? De bekabeling is al gecheckt en de positioner / receiver is ook al een keer gewisseld met identiek resultaat. 

Er is zoveel te vragen dat ik het tóch eerst zelf probeer uit te zoeken. Dat is ook verrekte leerzaam.

 

Mijn boxen zijn allemaal powered by PLi.

Maak een account aan of log in om te reageren

Je moet een lid zijn om een reactie te kunnen achterlaten

Account aanmaken

Registreer voor een nieuwe account in onze community. Het is erg gemakkelijk!

Registreer een nieuwe account

Inloggen

Heb je reeds een account? Log hier in.

Nu inloggen
  • Wie is er online   0 leden

    • Er zijn geen geregistreerde gebruikers deze pagina aan het bekijken
×
×
  • Nieuwe aanmaken...