joep meloen Geplaatst: 2 oktober 2021 Geplaatst: 2 oktober 2021 Hallo, Mijn keukenmachine werkt niet meer. Spanning op de print, verder niets. Zitten aantal veiligheids switches op. Deze meten goed door. Denk dat er een foutje op het printje zit. Deze print zit in meerdere types. Bvb. Ook in de KM28 dacht ik gelezen te hebben. Wie heeft een schema voor mij aub? Wellicht kan ik het dan weer fixen. Groeten, Joep
joep meloen Geplaatst: 2 oktober 2021 Auteur Geplaatst: 2 oktober 2021 Voor de duidelijkheid het gaat om een keukenmachine.
joep meloen Geplaatst: 3 oktober 2021 Auteur Geplaatst: 3 oktober 2021 Na metingen gedaan te hebben. Meet de relais niet goed. Manuele bediening ervan werkt wel. Spoel heeft ook geen weerstand volgens schema. Nu kan ik als particulier dit alleen bij Ali krijgen. Wie kan mij zoiets leveren? Of waar kan ik dit krijgen? Graag hulp.
jeevanhoof Geplaatst: 3 oktober 2021 Geplaatst: 3 oktober 2021 Moet niet perse hetzelfde type zijn. Elk 24V relais dat op 230V 5 A kan schakelen zou moeten werken. Wel kijken dat de aansluitingen kloppen. Mvg. dreambox two , BigBisat met Smart Titanium, Alps, en 2 X Inverto Black Ultra VU+ solo2 met defecte tuners
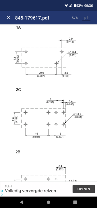
joep meloen Geplaatst: 3 oktober 2021 Auteur Geplaatst: 3 oktober 2021 Is een relais met 8 aansluitingen waarvan 6 schakelen en 2 spanning spoel. Niet een simpel dingetje.
Moderator ceesv Geplaatst: 3 oktober 2021 Moderator Geplaatst: 3 oktober 2021 Is redelijk standaard, klinkt als 2 x wisselcontact plus 2 aansluiting voor de spoel. Googel eens op 24 volt relais 2 x wisselcontact Gaat niet bestaat niet! 65" 4-K OLED, Vu+ Duo 4K SE BT, Vu+ Solo 4K, Rebox-8500, Rebox-8000, Wavefrontier T-90, Satlook Digital NIT, Megasat HD5 Combo Gebruik je een advertentie blocker? Maak dan een uitzondering voor onze website. Zonder advertentie (inkomsten) kan deze site niet voortbestaan.
joep meloen Geplaatst: 3 oktober 2021 Auteur Geplaatst: 3 oktober 2021 Oke.. Maar wissel contacten kunnen in rust aan of uit staan. Heb bij ali maar besteld. Bedankt.
Moderator ceesv Geplaatst: 3 oktober 2021 Moderator Geplaatst: 3 oktober 2021 Ja, no of nc. Kan je met je bedrading eventueel passend maken wanneer de layout niet zou overeen komen. Gaat niet bestaat niet! 65" 4-K OLED, Vu+ Duo 4K SE BT, Vu+ Solo 4K, Rebox-8500, Rebox-8000, Wavefrontier T-90, Satlook Digital NIT, Megasat HD5 Combo Gebruik je een advertentie blocker? Maak dan een uitzondering voor onze website. Zonder advertentie (inkomsten) kan deze site niet voortbestaan.
joep meloen Geplaatst: 4 oktober 2021 Auteur Geplaatst: 4 oktober 2021 11 uren geleden, ceesv zei: Ja, no of nc. Kan je met je bedrading eventueel passend maken wanneer de layout niet zou overeen komen. Weet niet hoe ik dat moet vertalen? Type 2c is het 230v 5A spoel is 24V
joep meloen Geplaatst: 5 oktober 2021 Auteur Geplaatst: 5 oktober 2021 (aangepast) 2 blauwe elcos heb ik na uitgesoldeerd te hebben nagemeten met capaciteitsmeter en zijn goed 220uf /63v. De gele condensator is 0.47 uf denk ik maar meet 0.25 uf. Deze ga ik eerst vervangen en kijk dan even verder. Krijg tevens nog geen stroom op de spoel van de relais wellicht heeft het met bovenstaande condensator te maken. Jammer dat er heen schemaatje van bestaat. 5 oktober 2021 aangepast door joep meloen
columbo Geplaatst: 5 oktober 2021 Geplaatst: 5 oktober 2021 Jeetje ,als je voor zo'n eenvoudig printje een schema nodig hebt ,dan kun je er beter maar van afzien. of opsturen,
Moderator ceesv Geplaatst: 5 oktober 2021 Moderator Geplaatst: 5 oktober 2021 Op 3-10-2021 om 15:15, joep meloen zei: Meet de relais niet goed. Manuele bediening ervan werkt wel. Spoel heeft ook geen weerstand volgens schema. Misschien kan je ook aangeven wat er niet goed meet aan de spoel? Wanneer die onderbroken en hoogohmig is, zal die inderdaad defect zijn. Bij een goede spoel zal je een lage weerstand meten. (Tenzij er wikkelsluiting in de spoel zit, maar ook dat kan je meten.) Gaat niet bestaat niet! 65" 4-K OLED, Vu+ Duo 4K SE BT, Vu+ Solo 4K, Rebox-8500, Rebox-8000, Wavefrontier T-90, Satlook Digital NIT, Megasat HD5 Combo Gebruik je een advertentie blocker? Maak dan een uitzondering voor onze website. Zonder advertentie (inkomsten) kan deze site niet voortbestaan.
joep meloen Geplaatst: 5 oktober 2021 Auteur Geplaatst: 5 oktober 2021 1 uur terug, columbo zei: Jeetje ,als je voor zo'n eenvoudig printje een schema nodig hebt ,dan kun je er beter maar van afzien. of opsturen, Sorry dat ik niet zo slim ben als jou! Ik probeer iets te repareren naar de kennis die ik heb op dit gebied. Dus zoon andwoord kan ik niets mee.
Psychosammie Geplaatst: 5 oktober 2021 Geplaatst: 5 oktober 2021 (aangepast) @joep meloen Kijk ook eens naar de soldeer eilandjes aan de achterkant van de print. Met name bij de stekkers. Zie je daar scheuren in dan even doorsolderen. 7 uren geleden, joep meloen zei: 2 blauwe elcos heb ik na uitgesoldeerd Ik zie 3 blauwe elco's. 5 oktober 2021 aangepast door Psychosammie Resistance is futile you will be assimilated Those who would give up essential liberty, to purchase a little temporary safety, deserve neither liberty nor safety. Benjamin Franklin (1706-1790) Mijn vrijheid eindigt niet waar jouw angst begint!
Aanbevolen berichten
Maak een account aan of log in om te reageren
Je moet een lid zijn om een reactie te kunnen achterlaten
Account aanmaken
Registreer voor een nieuwe account in onze community. Het is erg gemakkelijk!
Registreer een nieuwe accountInloggen
Heb je reeds een account? Log hier in.
Nu inloggen