Moderator ceesv Geplaatst: 4 september 2024 Moderator Geplaatst: 4 september 2024 Je kan hem echt zelf maken. Gaat niet bestaat niet! 65" 4-K OLED, Vu+ Duo 4K SE BT, Vu+ Solo 4K, Rebox-8500, Rebox-8000, Wavefrontier T-90, Satlook Digital NIT, Megasat HD5 Combo Gebruik je een advertentie blocker? Maak dan een uitzondering voor onze website. Zonder advertentie (inkomsten) kan deze site niet voortbestaan.
Drs. IJzerbout Geplaatst: 4 september 2024 Geplaatst: 4 september 2024 Ja, kan maar zonder ferrietkern worden ze heel smal in bandbreedte. Het varkens neusje is voor UHF kanaal 21 tot ca. kanaal 50 wel beter. 1 “On ne voit bien qu´avec le cœur. L´essentiel est invisible pour les yeux”.
MrDish Geplaatst: 4 september 2024 Auteur Geplaatst: 4 september 2024 5 uren geleden, MrDish zei: Hallo menschen , ben op zoek naar zo zo`n soort aan sluiting voor een raster-antenne. wat ik zo heb kunnen zien en voelen ,zit er aan de andere kant van de printplaat niks. of het moet heel dun zijn.
Drs. IJzerbout Geplaatst: 4 september 2024 Geplaatst: 4 september 2024 Dan is het een waardeloos ding. Ziet uit naar een capacitieve koppeling. Niet aan te bevelen. Zelfs de Chinezen (die bekend staan om hun meuk) doen dat beter. “On ne voit bien qu´avec le cœur. L´essentiel est invisible pour les yeux”.
MrDish Geplaatst: 4 september 2024 Auteur Geplaatst: 4 september 2024 2 minuten geleden, Drs. IJzerbout zei: Dan is het een waardeloos ding. Ziet uit naar een capacitieve koppeling. Niet aan te bevelen. Zelfs de Chinezen (die bekend staan om hun meuk) doen dat beter. Goh apart als je dat zo verwoordt , en dat terwijl ik 100% beeld heb via mijn Strong en de antenne staat op zolder.
Drs. IJzerbout Geplaatst: 4 september 2024 Geplaatst: 4 september 2024 Dan verander het maar snel want het kan nog veel beter met deze makkelijk zelf te maken balun: Het probleem met dat printplaatje is dat de buiten mantel van de coax gaat stralen en dat wil je vermijden. “On ne voit bien qu´avec le cœur. L´essentiel est invisible pour les yeux”.
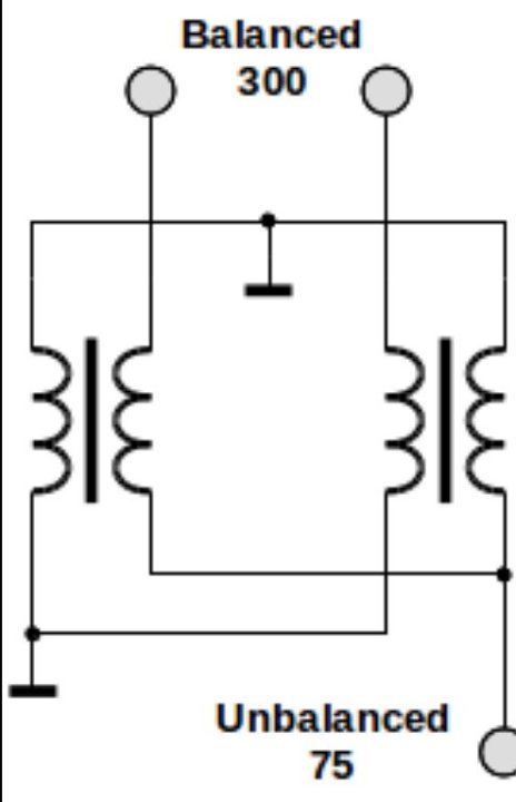
Drs. IJzerbout Geplaatst: 4 september 2024 Geplaatst: 4 september 2024 Hier het schema: “On ne voit bien qu´avec le cœur. L´essentiel est invisible pour les yeux”.
MrDish Geplaatst: 5 september 2024 Auteur Geplaatst: 5 september 2024 7 uren geleden, Drs. IJzerbout zei: Hier het schema: hoeveel windingen van elks.
Drs. IJzerbout Geplaatst: 5 september 2024 Geplaatst: 5 september 2024 Hier de hele beschrijving. Leuk werk voor een regenachtige zaterdagmiddag. “On ne voit bien qu´avec le cœur. L´essentiel est invisible pour les yeux”.
Drs. IJzerbout Geplaatst: 5 september 2024 Geplaatst: 5 september 2024 Koop toch gewoon dat ding op e***y voor een paar luttele Euro's en ga niet zelf lopen te klungelen. Die ferrietkern of varkensneus moet je ook ergens vandaan halen. “On ne voit bien qu´avec le cœur. L´essentiel est invisible pour les yeux”.
bellejt Geplaatst: 5 september 2024 Geplaatst: 5 september 2024 reeds alles doorgestuurd maar hij vind het niet.Zelfs met duidelijke link waar ik veel vind op de verkoopsite.Wordt een grapje Groetjes,salutations,greetings. 1 x Gibertini 1,10 vast 3 sats + 1 x Triax 88 cm rotor + Triax fixed 5W Vu + Duo4K SE sat tuner 4 X DVB-S2X en 1 x turbo DVB-C + OpenVix + idem dual tuner and vu duo2 fallback tuner Octagon SF8008 4K Openvix (via ethernetconnectie/WIFI fallbacktuner)
Moderator ceesv Geplaatst: 5 september 2024 Moderator Geplaatst: 5 september 2024 Zou het een 1.000 km. Antenne worden? Gaat niet bestaat niet! 65" 4-K OLED, Vu+ Duo 4K SE BT, Vu+ Solo 4K, Rebox-8500, Rebox-8000, Wavefrontier T-90, Satlook Digital NIT, Megasat HD5 Combo Gebruik je een advertentie blocker? Maak dan een uitzondering voor onze website. Zonder advertentie (inkomsten) kan deze site niet voortbestaan.
Mojo Geplaatst: 5 september 2024 Geplaatst: 5 september 2024 19 minuten geleden, ceesv zei: Zou het een 1.000 km. Antenne worden? Nee word een waterstraal antenne You know when you've been shagged. I like receivers who give me pleasure.
Moderator ceesv Geplaatst: 5 september 2024 Moderator Geplaatst: 5 september 2024 De vraag was waar hij een balun kan vinden, die vraag is beantwoord. Slotje 1 Gaat niet bestaat niet! 65" 4-K OLED, Vu+ Duo 4K SE BT, Vu+ Solo 4K, Rebox-8500, Rebox-8000, Wavefrontier T-90, Satlook Digital NIT, Megasat HD5 Combo Gebruik je een advertentie blocker? Maak dan een uitzondering voor onze website. Zonder advertentie (inkomsten) kan deze site niet voortbestaan.
Aanbevolen berichten