Codx Geplaatst: 12 september 2020 Geplaatst: 12 september 2020 (aangepast) Hebben ze in Dubai geen reparateurs voor dit soort spul ? Als je een onderdeel op ali moet bestellen kan het weken duren voor je het krijgt. Dan kun je net zo goed een nieuwe kopen denk ik. 12 september 2020 aangepast door Codx SCHOTEL: 1,2 Mtr 50E-55W / 60cm Astra 19/23 / Airspy R2 SDR 24-1800 Mhz RECEIVERS: Dreambox 920 UHD/DM8000/800SE / VU+ Ultimo 4K Sat & Kabel & T2 / Rpi2 ADS-B FlightFeeder IPTV: KPN Glas (AoN) 1 Gbit & IPTV KPN plus+ TV box / Android 4K IPTV box / Kodi & Plex / 100+ TB Storage
ad123 Geplaatst: 12 september 2020 Geplaatst: 12 september 2020 Type nummer in de koeling bij de groente bak lings
Vogelzang Geplaatst: 12 september 2020 Geplaatst: 12 september 2020 Alie ! En wie heeft het hier steeds over Chinese meuk ? 1
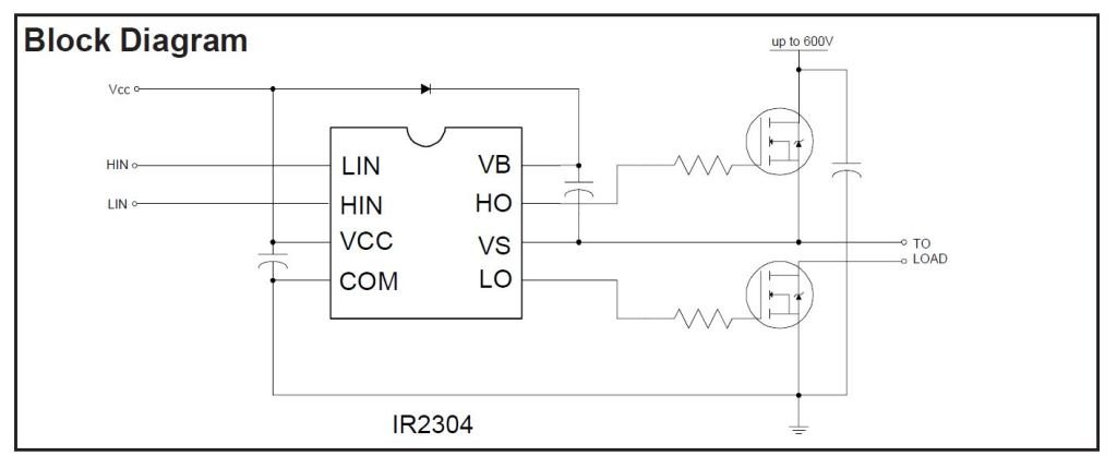
Old Satterhand Geplaatst: 13 september 2020 Geplaatst: 13 september 2020 (aangepast) Op 12-9-2020 om 13:13, Drs. IJzerbout zei: Hij heeft dus een keiharde kortsluiting. Maar..........als ik tussen de nul en fase aansluiting meet van de stekker van de koelkast, is er geen sluiting. Hoogohmig..een paar kilo-Ω. Vreemd denk ik. Hoe kan dan de zekering me om de oren vliegen? Kijk eens naar het volgende schema: Als een van de powerMosfets sluiting geeft gaat het pas mis als er een andere in geleiding gaat. Van deze schakelingen zitten er dus 3 op dit board. Ik ben nog steeds benieuwd naar de achterkant van het board. Kun je daar eens een foto van plaatsen? Of heb je deze post van mij gemist? 21 uren geleden, Old Satterhand zei: De power MOSFETS zullen sluiting geven. Die zijn echter niet te zien op dit board. Ik herken wel de drivers. Er missen dus nog 6 power mosfets. Misschien aan de onderkant? Deze dus even checken met de Universele Multimeter. Er zitten er hoogstwaarschijnlijk maar 3 aan de achterkant van dit board. De LO side Mosfet is niet nodig denk ik (geen 0) 13 september 2020 aangepast door Old Satterhand typo
Drs. IJzerbout Geplaatst: 13 september 2020 Auteur Geplaatst: 13 september 2020 Ja, ik zal een foto van de achterkant plaatsen. Daar zitten inderdaad 6 MOSFET´s. Doe ik uiterlijk morgen omdat ik nu op mijn werk ben en niet thuis. En alvast bedankt voor de hulp. “On ne voit bien qu´avec le cœur. L´essentiel est invisible pour les yeux”.
johnno Geplaatst: 14 september 2020 Geplaatst: 14 september 2020 (aangepast) Je hebt in ieder geval een probleem dat ik met mijn laatste Bosch koelkast niet na 6 jaar had kunnen krijgen. Dat onding stond na 5 jaar al bij het grofvuil. 14 september 2020 aangepast door johnno
Drs. IJzerbout Geplaatst: 14 september 2020 Auteur Geplaatst: 14 september 2020 (aangepast) Op 13-9-2020 om 14:06, Drs. IJzerbout zei: Ja, ik zal een foto van de achterkant plaatsen. Daar zitten inderdaad 6 MOSFET´s. Doe ik uiterlijk morgen omdat ik nu op mijn werk ben en niet thuis. En alvast bedankt voor de hulp. Hier dan een foto van de onderkant van de inverterprint. De 6 MOSFET´s meten goed en alle 6 precies hetzelfde. De 4 dioden meten goed. Ik heb nu iets gedaan wat ik al veel eerder had moeten doen. Ik heb de inverterprint aan de 230 Volt gehangen zonder de verbinding naar de koelkast verlichting, thermostaat en compressor. En zie daar....de zekering vliegt er onmiddelijk uit !!!! Voor mij het bewijs dat deze inverterprint naar de eeuwige jachtvelden is. @ceesv: de ronde brugcel, rechtsboven is geen brugcel maar lijkt mij een zekering van 4A/250 volt. Dat staat erop. Hij meet 0 Ω. Over de 230 volt aansluiting op de inverterprint meet ik 1,1 mega Ω. Dus een bewijs dat de print alleen dan laagohmig wordt na spanningstoevoer. De NTC staat in serie met de schakeling en meet 10 Ω. Dus ik stop nu alle reparatie activiteiten en bestel een nieuwe inverter print. Ik ben er zeker van dat de koelkast weer zijn dienst gaat doen. Mevrouw IJzerbout moet nog even geduld hebben. 😇 14 september 2020 aangepast door Drs. IJzerbout “On ne voit bien qu´avec le cœur. L´essentiel est invisible pour les yeux”.
Drs. IJzerbout Geplaatst: 14 september 2020 Auteur Geplaatst: 14 september 2020 Op 12-9-2020 om 22:36, Vogelzang zei: Alie ! En wie heeft het hier steeds over Chinese meuk ? Ik..!! Heb je een betere en vooral snellere leverancier die naar het Midden Oosten levert...dan laat het maar weten. Ik ga toch nog op zoek naar een toko hier die die inverter print misschien in vooraad hebben. “On ne voit bien qu´avec le cœur. L´essentiel est invisible pour les yeux”.
Drs. IJzerbout Geplaatst: 14 september 2020 Auteur Geplaatst: 14 september 2020 6 uren geleden, johnno zei: Je hebt in ieder geval een probleem dat ik met mijn laatste Bosch koelkast niet na 6 jaar had kunnen krijgen. Dat onding stond na 5 jaar al bij het grofvuil. Vertel..wat was er mis met die koelkast? “On ne voit bien qu´avec le cœur. L´essentiel est invisible pour les yeux”.
Drs. IJzerbout Geplaatst: 14 september 2020 Auteur Geplaatst: 14 september 2020 Voor degenen die willen weten waar ik nou precies in de meterkast mee aan het werken was het volgende: ik wilde een aparte groep naar de garage en zwembad voeren met Fi. Verder een omschakelrelais zodat het licht buiten op verschillende punten aan en uit gedaan kan worden (de beroemde hotel schakeling). Met de oorspronkelijke bedrading was dat niet mogelijk. Ik heb in een ruimte buiten in een kleinere Hager kast een omschakel relais en Fi gezet. Met het bedradingswerk maakte ik de fatale fout door niet goed op te letten terwijl de boel onder spanning stond. Het is nu klaar en nu ziet het er zo uit bij IJzerbout thuis. De open gaten boven de Hutschiene moet ik nog dicht maken. In de hoofdkast heb ik een service stopcontact met aparte zekering en Fi aangebracht voor service doeleinden. Daar kon ik prima de koelkast op aansluiten zonder dat de rest van het huis er last van had met mijn experimenten. Ik koos voor een Europees stopcontact en niet een engels stopcontact zoals in de Emiraten gebruikelijk is omdat zo goed als al mijn toestellen een Europese stekker hebben. “On ne voit bien qu´avec le cœur. L´essentiel est invisible pour les yeux”.
Old Satterhand Geplaatst: 14 september 2020 Geplaatst: 14 september 2020 2 uren geleden, Drs. IJzerbout zei: Hier dan een foto van de onderkant van de inverterprint. De 6 MOSFET´s meten goed en alle 6 precies hetzelfde. De 4 dioden meten goed. ........ Over de 230 volt aansluiting op de inverterprint meet ik 1,1 mega Ω. Dus een bewijs dat de print alleen dan laagohmig wordt na spanningstoevoer. De NTC staat in serie met de schakeling en meet 10 Ω. Bedankt voor de foto. Het lijkt er dan op dat de elco sluiting moet hebben, maar dat had je al gecontroleerd. Misschien slaat die pas door bij een hogere spanning? Hoger dan de meetspanning bedoel ik.
johnno Geplaatst: 14 september 2020 Geplaatst: 14 september 2020 2 uren geleden, Drs. IJzerbout zei: Vertel..wat was er mis met die koelkast? Na twee jaar al allerhande vreemde geluiden. Niet lang daarna begon de prestatie achteruit te lopen. Totdat ie uiteindelijk helemaal de geest gaf. Maar dat wil niet zeggen dat iedere Bosch koelkast niet goed is. Je kunt soms gewoon ongelukkig zijn met een aankoop. Maar na die ervaring koos ik toch maar voor een ander merk. En die draait inmiddels al weer meer dan 16 jaar zonder problemen. Nou ja, bijna, want een van de handgrepen heeft het begeven. Die heb ik nu vervangen met de oude handgrepen van de Bosch. Ik had ze ooit voor een ander doel bewaard, maar ze kwamen nu goed van pas. Ik hoop dat het je lukt jouw koelkast weer aan de praat te krijgen.
Moderator ceesv Geplaatst: 14 september 2020 Moderator Geplaatst: 14 september 2020 Een poging kan je nog wagen, een serie weerstand met de print schakelen in het lichtnet, bijvoorbeeld de schemerlamp (geen LED lamp) en dan kijken waar het gaat roken. Gaat niet bestaat niet! 65" 4-K OLED, Vu+ Duo 4K SE BT, Vu+ Solo 4K, Rebox-8500, Rebox-8000, Wavefrontier T-90, Satlook Digital NIT, Megasat HD5 Combo Gebruik je een advertentie blocker? Maak dan een uitzondering voor onze website. Zonder advertentie (inkomsten) kan deze site niet voortbestaan.
mereltje Geplaatst: 15 september 2020 Geplaatst: 15 september 2020 17 uren geleden, Drs. IJzerbout zei: Vertel..wat was er mis met die koelkast? Hij was in de meterkast aan het prutsen 😁😂 Groeten Willy Luister naar ieders kritiek maar behoud je eigen oordeel (William Shakespeare)
Drs. IJzerbout Geplaatst: 15 september 2020 Auteur Geplaatst: 15 september 2020 IJzerbout prutst niet. Half werk hou ik niet van. “On ne voit bien qu´avec le cœur. L´essentiel est invisible pour les yeux”.
Aanbevolen berichten
Maak een account aan of log in om te reageren
Je moet een lid zijn om een reactie te kunnen achterlaten
Account aanmaken
Registreer voor een nieuwe account in onze community. Het is erg gemakkelijk!
Registreer een nieuwe accountInloggen
Heb je reeds een account? Log hier in.
Nu inloggen